ENERGY STORAGE
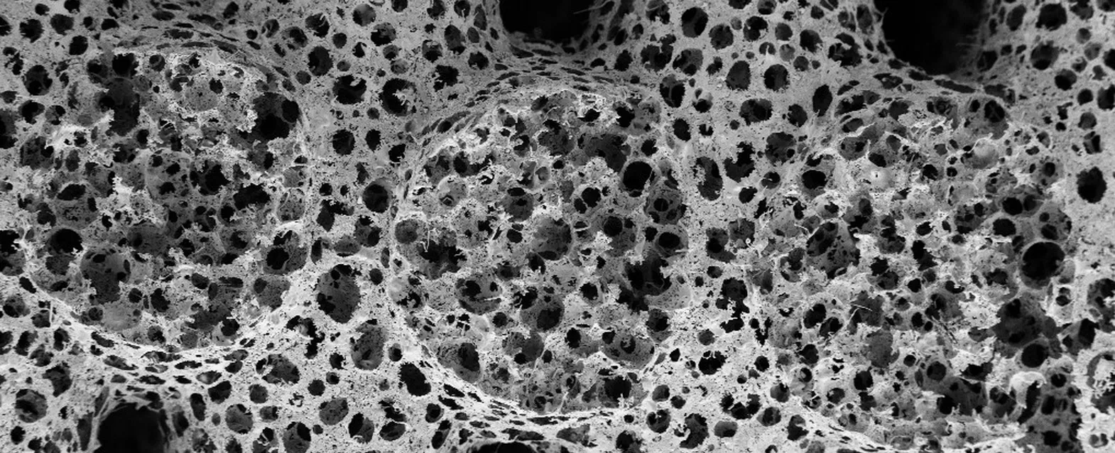
Battery components
Apheros metal foams have high potential as performance-enhancing battery components (i.e. electrodes and current collectors). Their unique microstructure can offer improved energy density, power output, and cycle life by facilitating efficient ion transport, improving heat dissipation, and delivering structural support.
