THE METAL AGNOSTIC SOLUTION
Foaming technology
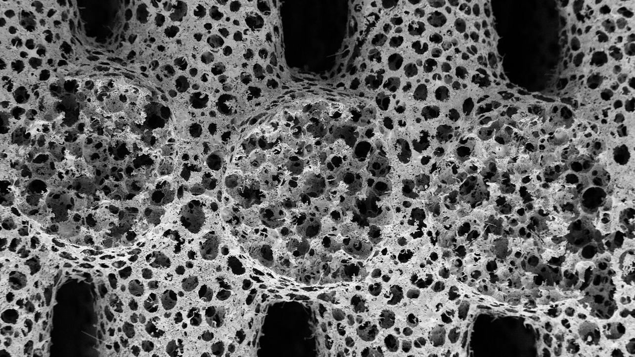
Ultra-high surface area metallic foams engineered to suit your needs
Apheros metal foaming technology produces high-performance metal foams through cost-effective, scalable, and customizable processes.

Our ultra-high surface area metal foams offer unparalleled heat transfer, mass transport, and catalytic activity. Their fully open and interconnected pore structure ensures optimal fluid flow and wetting.
Compared to conventionally produced metal foams, Apheros foams inherently have a thousand times larger surface area while maintaining fully open pores for optimal mass transport. Their structure is engineered for increased capillary action leading to efficient wetting, bubble nucleation and release - ideal for demanding applications.
Ultra-high surface area
Apheros patented metal foaming technology leads to surface areas thousand times larger than for conventional metal foams. We produce high porosity (75% - 95%) metal foams with precisely adjustable pore densities (up to 350 PPI), providing large reaction surfaces in a compact, lightweight package. Surfaces can be engineered to optimize bubble suppression or provide ample nucleation sites.

Open porosity
The microstructure of Apheros metal foams consists of large pores that are fully interconnected, leading to a hierarchical network of open cells. The structures allow for optimal fluid flow and mass transport.

High wettability
The hierarchical and open microstructure of Apheros metal foams leads to highly efficient wetting. Capillary action quickly transports liquid to the interior of the metal foam, lending it excellent wicking properties. A high capillary limit ensures a broad applicability of the materials.
Drop-in replacement
With densities ranging from 0.9 to 2.2 g/cm³, our metal foams are ideal for applications demanding lightweight components. Moreover, their seamless integration into existing systems through standard processes like bonding, welding, and machining makes them a drop-in replacement for your systems.
Our versatile processes allow us to work with a wide range of materials, offering unparalleled flexibility in composition and foam structure. This materials agnostic approach empowers you to choose the optimal composition and structure for your specific application. From copper, iron, nickel to stainless steel and other alloys, we offer a diverse portfolio of lightweight, highly porous foams tailored to your needs.

Materials portfolio
We offer standardised datasheets for the following materials:
- Copper
- Nickel
Don't see your material here yet?



